三菱インバータ学習マニュアル教材.動画解説付 三菱インバータ学習教材
(2779件)
Pontaパス特典
サンキュー配送
17284円(税込)
173ポイント(1%)
Pontaパス会員ならさらに+1%ポイント還元!
送料
(
)
2762
配送情報
お届け予定日:2026.04.16 5:29までにお届け
※一部地域・離島につきましては、表示のお届け予定日期間内にお届けできない場合があります。
ロットナンバー
5125169521
お買い物の前にチェック!
Pontaパス会員なら
ポイント+1%
ポイント+1%
商品説明


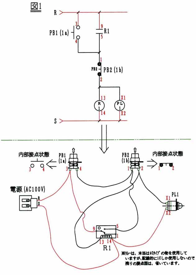
OMD SYSTEM.COM社製【三菱インバータ学習・マニュアル/教材パッケージ】販売定価39800円の教材です。↓YouTube検索キーワード↓[三菱インバータ omd]にて検索して頂けると概要内容の動画が、ご覧頂けます。三菱インバータFR-D700.E700シリーズ、お使いになりたい方やインバータ制御の基本を学びたい方に持ってこいです。「実務で、制御設計をしていたら必ず使う制御機器といったらモーターではないでしょうか!?標準のモーターを使って自由自在に回転速度制御したい方におすすめの教材です。今の三菱インバーター安価でかなり優れものです。回転速度が遅くなってもトルクを維持できる機能など、多彩な用途で使えます。マニュアル&動画マニュアルのみとなります」◎三菱インバータ学習教材1.マニュアル1冊2.マニュアルを動画で説明したCD→50分収録3.パラメータ設定方法(別紙)4.エラー時の原因と対策(別紙)
| カテゴリー: | 本・雑誌・漫画>>>本>>>語学・辞書・学習参考書 |
|---|---|
| 商品の状態: | 新品、未使用","新品で購入し、一度も使用していない |
| 配送料の負担: | 送料込み(出品者負担) |
| 配送の方法: | レターパック |
| 発送元の地域: | 大阪府 |
| 発送までの日数: | 1~2日で発送 |
レビュー
商品の評価:




4.6点(2779件)
- 綾瀬太郎1461
- 大好きな絵本! 発送も早く梱包も丁寧でした(^^)
- ハヤ88
- 保育士の母の勧めで購入しました。のんたんのはみがきは〜み〜も一緒に購入し、寝る前にこの2冊を読んで、歯磨きをして寝るのが毎晩の習慣です。10か月の娘ですが、この本を読んであげていると夜になったら寝る、というのが何となくわかってきたかな?という感じです(^^)親子のスキンシップに読み聞かせいいですね。
- y000b
- 汚れも目立たず、綺麗な状態で大満足です。 息子が欲しかった絵本大喜びです。
- 0617瑞穂
- 人気の本らしいのでチェックしていたんですが、「昆虫ハンターカマキリのすべてフィールド版」のついでに子どものために購入しました。 購入するときに小1のむすめにパソコンで見せたら「幼稚園のときに先生に読んでもらった」とのことです。到着してさっそく読んでみると、大型の本で絵も大きくて子どもにわかりやすく楽しい内容なので納得しました。最後のどんでん返しには大人の僕もやられました。この作者さんはウマイと思います。
- たっきー8657
- 図書館で借りて大好きな本になりました。お誕生日プレゼントとして購入しました。
- on72267774
- 主治医に紹介されて、近くの書店にはなかったため購入しました。 中古。。。というところに多少のためらいがありましたが、割とキレイな本の状態で届いたので満足しています。
- pippi0326
- かなり絵が怖いです。 これは子供がみたらトラウマになりそうです。 ただ、悪いことはしなくなりますね
- あむたぁ
- 寝る前の子供に読んでと何度も言われます。「ぐりとぐら」は親子共に楽しめる作品。 大きな卵を見つけたぐりとぐら。皆さんも是非お子さんと読んでください。
- v9_9v
- 可愛くてリアルな絵と、ペンギンさんに和みます。 親もよく知らなかった魚もいて、楽しく学べます。もちろん、魚じゃないネタも…!お寿司屋さんに行ったあとなど見直して、これ食べたね!と楽しんで読んでいます。
- 辛口一言
- 以前より気になっていたこちらの本をようやく購入しました!思ってたいた通り、とても素敵な絵本で購入して良かったです。
- k-taro.taro
- 4歳の子供へ。身体の違いがわかって来たので、自分の身体の守り方も知って欲しいと思い手始めに。 大事にしないといけない部分、なぜ大事にするのか、少しわかって来たようです。
- おかぶ3424
- トーマス好きの子供のお気に入り。シールを貼ったりはがしたりした後は絵本として毎晩読んでいます。
- emi6488
- 商品は何度もプレゼントしてきてるもので、商品の良さは確認済みです 今回は友人へのプレゼントでしたので、ショップにはラッピングとメッセージカードの希望をしていました 届いたのものは綺麗にラッピングもしてありスムーズな対応をしていただきましたが… 別で購入したパスタオルを一緒にラッピングしたい室を伝え、メッセージカードもコメント書いてお願いしたのに入っておらずでしたので、それだけが残念でした…
- トッティ1228
- 3歳の子供が間違い探し大好きなので購入しました! 届いた時の感想は、、、ちっちゃい‼️笑 サイズ等確認せずに購入したので、まさかの持ち運びに便利なサイズ感で驚きました。 でも、子供は楽しそうに間違い探しをしています(^^) 微妙な違いも沢山あるのでお手伝いが必要な時もありますが購入して良かったです(^^)
すべて見る
お店の情報
7,367
連絡・応対
4.3
配送スピード
4.3
梱包
4.3










